

|
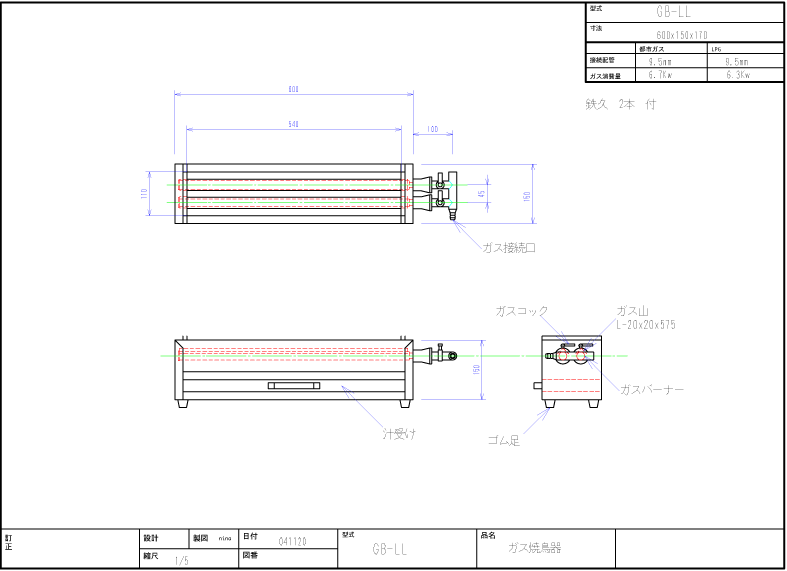
ガス焼鳥器
スタンダードで、お手頃価格の焼鳥器です。
仕様
外張材質:ステンレス
バーナー本数:2本
付属品:鉄久2本
接続配管径:9.5mm |
有効焼面積
S 360×110
M 420×110
L 510×110
LL 570×120
|
外寸
S 幅390×奥行140×高150
M 幅450×奥行140×高150
L 幅540×奥行140×高150
LL 幅600×奥行150×高170
|
詳細図面ファイル
ガス焼鳥器 LL |
ガス消費量
[都市ガス]
S 4,5Kw
M 4.5Kw
L 5.4Kw
LL 6.7Kw |
[LPG]
S 4,3Kw
M 4.3Kw
L 5.4Kw
LL 6.3Kw |
|

焼鳥屋さん専門用品のコーナーはこちらです!
 |
佐川急便e-collectシステムにて上記カードをご利用になれます。
お支払い、発送方法の詳しい内容につきましては をご覧下さい。 |
|